-
全国免费热线
18262992219

技术指标:
| 额定载荷 | t | 1/2/2.5/3/5/10/15/20/25/30 | ||
| 精度 | C3 | |||
| 最大检定分度数 | n max | 3000 | ||
| 最小检定分度值 | v min | Emax/10000 | ||
| 综合误差 | (%FS) | ≤±0.020 | ||
| 蠕变 | (%FS/30min) | ≤±0.016 | ||
| 温度对输出灵敏度的影响 | (%FS/10℃) | ≤±0.011 | ||
| 温度对零点输出的影响 | (%FS/10℃) | ≤±0.015 | ||
| 输出灵敏度 | (mv/v) | 2.0±0.002 | ||
| 输入阻抗 | (Ω) | 400±10 | ||
| 输出阻抗 | (Ω) | 351±2 | ||
| 绝缘阻抗 | (MΩ) | ≥5000(100VDC) | ||
| 零点输出 | (%FS) | ≤±1.0 | ||
| 温度补偿范围 | (℃) | -10~+40 | ||
| 允许使用温度范围 | (℃) | -35~+65 | ||
| 推荐激励电压 | (V) | 5~12(DC) | ||
| 最大激励电压 | (V) | 18(DC) | ||
| 安全过载范围 | (%FS) | 150 | ||
| 极限过载范围 | (%FS) | 300 | ||
| ATEX等级 | II 1G Ex ia II 1C T4 | II 1D Ex iaD20 T73℃ | II 3G Ex nL II C T4 | |
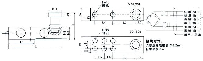
外形尺寸mm(inch)


功能特点:
◆合金钢材料,表面镀镍,全密封焊接,防油、防水、防一般腐蚀性气体及介质,可用于多种环境使用;
◆防护等级 IP 68;
◆单剪切梁结构,适用于各类电子平台秤、称重模块、料斗秤和汽车衡等各类电子称重设备;
◆安装方便,性能可靠。
Copyright © 2001-2024 江苏宏力称重设备有限公司 All Rights Reserved.苏ICP备17009522号
手机:18262992219 传真:0519-83368786 邮箱:911908942@qq.com
地址:常州武进国家高新技术产业开发区龙惠路21号
技术支持:宏力称重

